ЦВЕТОМУЗЫКАЛЬНАЯ УСТАНОВКА
Цветомузыкальные установки приобрели сейчас большую популярность. Они позволяют не только услышать музыкальное произведение, но и «увидеть» его в гамме красок.
Ниже описывается одна из таких установок. Авторы использовали ее для питания гирлянд на новогодних елках, оформления эстрадных номеров, исполнявшихся вокально-инструментальным ансамблем, танцевальных вечеров и, кроме того, для сопровождения звуковоспроизведения в бытовых условиях. При работе с большой аудиторией к цве-томузыкальной приставке, кроме экрана, подключались четыре прожектора, снабженные фильтрами.
Электронная часть цветомузыкальной приставки собрана по известной схеме частотного разделения каналов с добавлением канала фона. Оригинален экран, обеспечивающий объемность изображения.
В установке имеются четыре цветовых канала (рис. 1), трем из которых соответствуют определенные спектры звуковых частот, а четвертый — фоновый — служит для заставки пауз.

Рис. 1. Принципиальная схема электронной части циетомузы-кальной установки
Для подключения мощных музыкальных усилительных установок предусмотрено микшерное устройство (R15 — R22), позволяющее уменьшать входной сигнал и суммировать сигналы, поступающие с нескольких усилителей через разъемы Ш2 — Ш5. После микшерного устройства суммированный сигнал поступает на разделительный трансформатор Тр2, который устраняет гальваническую связь между установкой и корпусами усилителей (это сделано из соображений техники безопасности). Далее сигнал подается на общий регулятор уровня (регулятор яркости света) R13 и затем — на входы усилителей на транзисторах Т1 — Т4. На входе каждого из них имеются свои отдельные регуляторы уровня R9 — RI2, с помощью которых устанавливается желаемое соотношение яркости цветов в общем потоке света.

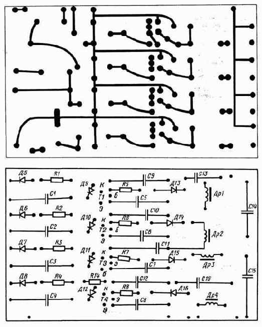
Рис. 2. Печатная плата электронной части цветомузыкальной установки (вверху), расположение деталей (внизу)
Рассмотрим работу первого канала — высоких частот. LC фильтр Др1С13 настроен на пропускание самой высокой частоты сигнала. После LC фильтра, диода Д13 и сглаживающего фильтра C5R5C9 выделяется постоянная составляющая, которая изменяет проводимость транзистора 77. Транзистор вместе с включенным параллельно диодом Д9, конденсатором С1 и трансформатором Tpl образуют фазовращатель, с помощью которого при проявлении смещения на базе транзистора снмистор Д1 будет открываться не полностью, а в зависимости от уровня входного сигнала, регулируя яркость свечения лампы Л1 и источников света, установленных в экране. Резистор RI ограничивает ток импульса, предохраняя спмистор от перегрузок. Его сопротивление требуется подбирать опытным путем. Диод Д5 в цепи управляющего электрода симистора служит для исключения импульса обратного напряжения.
