Реализация фильтров на операционных усилителях
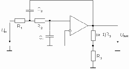
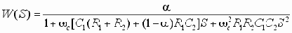
С ростом порядка фильтра его фильтрующие свойства улучшаются. На одном ОУ достаточно просто реализуется фильтр второго порядка. Для реализации фильтров нижних частот, высших частот и полосовых фильтров широкое применение нашла схема фильтра второго порядка Саллена-Ки. На рис. 17 приведен ее вариант для ФНЧ. Отрицательная обратная связь, сформированная с помощью делителя напряжения R3, (a – 1)R3, обеспечивает коэффициент усиления, равный a. Положительная обратная связь обусловлена наличием конденсатора С2. Передаточная функция фильтра имеет вид:
![]() |
(21) |
