Логарифмирующие и экспоненциальные преобразователи
В логарифмирующих и экспоненциальных преобразователях для получения требуемой функциональной характеристики используются свойства смещенного в прямом направлении p-n-перехода диода или биполярного транзистора. Такие преобразователи входят в качестве отдельных узлов в различные устройства, выполняющие математические операции. Логарифмирующие преобразователи применяются также для компрессии сигналов, имеющих большой динамический диапазон, например звуковых сигналов, причем некоторые из них перекрывают динамический диапазон в 140 дБ или 7 декад.
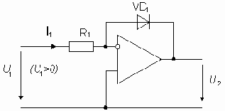
На рис. 24 приведена схема простейшего логарифмирующего преобразователя. Эта схема очень проста, но имеет много недостатков, в частности большие отклонения от логарифмической зависимости и дрейф выходного напряжения при изменениях температуры.
